


Обследование очистных сооружений / экспертиза проекта, выдача заключения и рекомендаций по повышению эффективности работы сооружений

Разработка проектной и рабочей документации, анализ и оценка затрат выполнения пуско-наладочных работ «на холостом ходу» и «под нагрузкой»

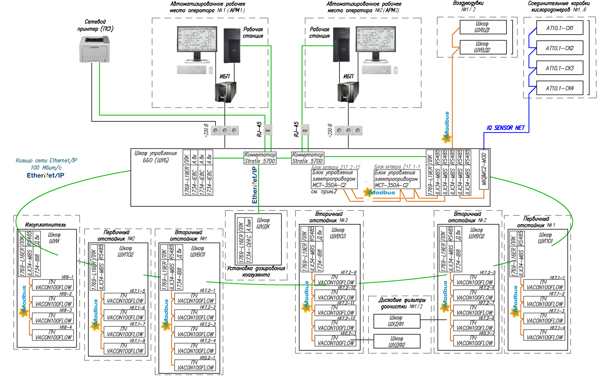
Разработка и наладка математического и программного обеспечения АСУ ТП

Производство шкафов автоматики и электрики

Поставка оборудования, строительство, авторский надзор, шеф-монтаж

Сопровождение заказчика при прохождении госэкспертизы проектно-сметной документации

Обучение эксплуатационного персонала, инженерные консультации, техническая помощь при эксплуатации
Более 40 объектов
Количество реализованных объектов регулярно расширяется.
Гибкий подход
Разрабатываем уникальные проекты, с учётом региона эксплуатации сооружений.
Забота о клиентах
Экономим средства заказчика, предлагая оптимальное соотношение "цена-качество" с учётом снижения эксплуатационных затрат.
Нацеленность на результат
Выполняем весь комплекс работ "под ключ" - от проектирования до сдачи готового объекта заказчику. Обучаем персонал заказчика.
Положительный опыт проектирования, модернизации и наладки порядка 40 очистных сооружений различной производительности
(от 10 000 до 150 000 м3/сутки).
Обследование объектов канализационных очистных сооружений 3-ей очереди в городе Удомля и проведение экспертизы проектной документации строительства.
Обучение на Юго-Западных очистных сооружениях г. Санкт-Петербурга специалистов Водоконала г. Калининграда
Разработка проектно-сметной документации на период проведения ПНР на объекте: «Канализационные очистные сооружения г. Калининграда, производительностью 150000 м3/сут.»
Оптимизация существующей технологии очистки сточных вод канализационных очистных сооружений г. Мирный и поселка Айхал, подбор оборудования
Техническое перевооружение КОС выпуска №4 ливневой канализации I очереди Калининской АЭС. Откорректирована рабочая документация, выполнена разработка и пуско-наладка системы АСУТП с поставкой технологического оборудования, подземных и наземных сооружений, оборудования автоматизированной системы на базе ПТК Siemens
Высокое качество очистки
Минимальное участие человека
Работы выполнены в сжатые сроки

Сохраним планету для наших детей!
Политика конфиденциальности
Редактируемый текст
Данный сайт использует Cookie
Редактируемый текст